目前锂电池的应用越来越广,开发生产锂电池的厂家也越来越多,这里针对目前用户常碰到的锂电池不均衡问题和解决方法和大家一起交流下。
常碰到的问题:
(1)保护板上是否要带均衡功能? 均衡电流是不是越大越好?
(2)主动均衡好? 还是 被动均衡好?
(3)电池充电电流是否越大越好?
(4)电池平衡修复时,电流越大越好吗? 是多个独立通道修复好还是集成同步修复好?
(5)电池用了几个月后,里程变短 或 用户上坡就断电, 测试发现压差>0.3V,如何解决?
(6)电池使用1年、甚者1年半后,压差变大,达到接近0.15V,如何解决?
(7)电池生产过程中点焊有漏焊或虚焊,充放电几次后,才发现并补焊好,如何快速解决此压差问题?
(1)保护板上是否要带均衡功能? 均衡电流是不是越大越好?
回答这问题前,首先,我们需了解2点;
1、保护板的主要目的是什么?
2、均衡的主要目的是什么?
保护板的主要目的是为了让电池在充电或放电时安全的使用,保证电池的安全是第一要素,其它的功能是第二要素。
而均衡的主要目的是为了平衡电池自放电的差异,绝不是为了解决电芯品质出现问题时的不一致。可以这么说:均衡是电池的保健品,但不是“药”! 如果均衡电路正常,它能平衡电池的自放电差异, 但如果均衡电路异常,它就会损坏电池,造成电芯差异的加大。
图一、电池不平衡的产生示意图
所以,我的建议是: 电池保护板越简洁纯却越好,以电池安全且系统低功耗为主,尽量在电池包内少加额外的附属功能(比如:GPS,GPRS,蓝牙,LED/LCD屏,蜂鸣器电路...等等,如果一定要加,需特别考虑下功耗的控制,做到电池包静置(睡眠)时,少吃电,甚至不吃电,因为,需要考虑万一客户骑完没充电,放置2,3个月的情况);
过放电的危害:过放电会使正负极活性物质可逆性受到破坏,电解液分解,负极锂沉积,电阻增大,即使充电也只能部分恢复,容量会有明显衰减。
对于保护板的均衡电流,我建议根据电芯的一致性品质 和 给用户的质保期来, 如电芯一致性好,质保期又在电芯能达到范围内,可以不用加均衡电路(备注:产品的失效概率是与电子元器件的数目成正比的, 元器件越多,失效的概率越大)。 但如质保期长,需要均衡电路来提高一致性, 建议可以加不超过50mA的均衡电流, 均衡电流不是越大越好。 要特别注意带均衡的保护板的散热, 不要将散热板与电芯靠紧在一起。均衡电路的控制开关最好以三级管(而不是MOS管)来作为开启/关闭的控制。
(2)主动均衡好? 还是 被动均衡好?
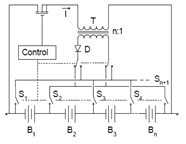
主动均衡主要指的是变压器均衡,电容均衡,电感均衡等能量搬迁的均衡方式,

图二、变压器平衡方式) 图三、电容平衡方式
还有类似的TI的电感平衡方式, 这些方式从理论上来说都是很好的高效方式,但作为电池包内的平衡电路而言,不仅有成本高,发热效率问题, 更要考虑到万一开关电路损坏,会带来严重的安全问题,所以从失效概率来讲,主动均衡是有更高要求,更高成本的一种均衡模式。这个有研究和测试过很多年,目前建议大家暂不要采用,这里需要考虑的问题多多。
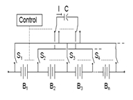
而被动均衡是目前常用的用均衡方法,它是通过电阻放电的方法来实现电池的电压均衡。
图四、被动均衡方式
这种方式不仅成本低,技术要求低,从安全角度来说,更安全些,只是效率低些,要注意散热。目前这种方案更常用些。
(3)电池充电电流是否越大越好?
以单体锂离子电池为例, 它的充电方式是恒压恒流,恒压为4.2V,而恒流为0.1C~1C。大电流的充电会造成电池生命周期的缩短,容量的降低。下面是一个4.2V/1800MAH的不同电流充电曲线。 通常的选择是在充电完成时间允许的范围内(现在通常按8~10小时来算),选择越小的充电电流越好!
图五、充电电流对电池循环寿命的影响
(4)电池平衡修复时,电流越大越好吗?
这里面关联的知识点稍微多些,我们先理解下面几个知识点
第一点:电池的开路电压(Open-Circuit-Voltage,OCV), 就是电池不充不放,静止一段时间后的电池电压,它是最接近于电池容量的电压,我们在做电池容量的测量时,常常会用电池的开路电压容量表(OCV Table,开路电压与容量的关系表格)来作为电池容量的初始计算值或校准值。
第二点:电池的等效电路如下,电池的内阻都有存在。
图六、电池等效电路
而这内阻的大小与电流(不管是充电,还是放电)有关系,当电流大时,内阻就大,当电流小时,内阻就小。具体如下:
图八、典型放电曲线及极化
简单来说, 电流越大,极化越大,内阻越大,电池本身的虚压(内阻×电流)越大,这样测量电压与电池容量关系越不准确。
所以,电池的平衡修复电流,越小越好,考虑到需要快速修复完成的时间要求和电芯测试线的承受电流大小,一般建议平衡修复的电流为1A左右为好。
也许您会有疑问,20Ah, 30Ah 甚至更大容量的电池,1A这么小的电流是否会要修复很久很久。 这里有个理解的误区,平衡电流是用于平衡电池的容量(电压)差异的,不是用来直接充满电池的。换句话说:如果您的电芯之间的电压差为80mV, 那么容量的差异一般也就为不超过3Ah(以三元,20Ah为例),我们只需平衡修复好这种差异即可, 同时可用外部的电池包匹配充电器进行PACK整组充电,这样可使所有电芯在同样的充电电流状态中(极化状态相同,虚压相近),实现高效率的测试、平衡和电池PACK充电。
对于那种通过大电流放电的方式的平衡, 由于放电电流大,电池极化很大,特别是在电池的低压末期,极大的内阻变化,使得测得的电压与容量关系很难匹对,不仅电压测试难测准,甚至会带来误平衡。
(5)电池用了几个月后,里程变短 或 用户上坡就断电, 测试发现压差>0.3V,如何解决?
一旦发现此类问题,可以立刻判断出肯定是有问题了, 要么是某个电芯坏了,要么是保护板哪通道漏电带来的。
此时如何来解决:首先,查看下电池包内有没漏电或生锈的电芯, 如没有,可以先将电池包平衡修复好,可以用单通道的补电器(需人工看好,别充多电变高压) 或采用GP320+GP321的自动平衡修复系统,将电池充平衡。
(1~24串锂电池自动平衡修复系统)
在电池平衡修复好后,可利用三端接口板,做下大电流放电测试,同步看下在放电时电芯电压的情况。
(利用三端接口板进行大电流动态压差测试)
如电池压差一下被拉大,说明的确是电芯问题,需拆下该串电芯,通过内阻测试仪,找出问题电芯,并换上容量和内阻一致的电芯。换好后,再次平衡修复下,修复好后即可继续使用该电池包。
如动态压差测试,电芯的压差没有被拉大很多,说明是由保护板的漏电造成,就只需更换保护板即可。
(6)电池使用1年、甚者1年半后,电芯压差变大,达到接近设置超过0.15V,如何解决?
前面有提到,电池放电的末期,由于极化的影响,压差会自然拉大。因此,我们在售后确认电池是否异常时,测试压差需在所有电芯的平均电压大于3.8V时,进行测量比较。
如此时的压差大于0.15V,这类问题比较大的可能是部分电芯的自放电加大(内阻有变大),电芯容量有了差异,他们算是已快到电池的末期了,很难通过更换新电芯来提高寿命,可通过平衡修复系统,给低电压,低容量的电池进行主动补电,尽量来以此延长些电池的使用时间。
(7)电池生产过程中有漏焊或虚焊,充放电几次后,发现并补焊好,如何解决压差问题?
这类电池属于新电池, 它和“那种内阻一致,但由于用了不同批次(放置的时间不同)电芯,带来的容量差异”问题一样,它们需要特别高精度的平衡充修复, 已保证电池组有一样的出厂平衡标准,目前GP320+GP321系统的最高5mV的目标平衡压差精度,将可非常方便的解决这类问题。
联系人:张卫
手机:13817281575
电话:021-59180322
邮箱:zh@gpp-tech.com
地址: 上海市嘉定区真新街道曹安公路1615号利金国际1519室